
本號擬對SEMA規範(Code of Practice for the Design of Adjustable Pallet Racking)做一些簡單的介紹,不定期推出係列文章簡述貨架結構設計內(nei) 容,以饗讀者。本篇為(wei) 第五篇。
橫梁與(yu) 立柱連接區域範圍內(nei) 的所有組件構成了梁柱節點。對於(yu) 貨架結構,梁柱節點的主要組件為(wei) 掛片,還包括節點範圍內(nei) 的部分立柱與(yu) 橫梁、螺栓或插銷。
梁柱節點的性能對貨架結構與(yu) 構件的設計都有重要的影響。梁柱節點的性能參數包括初始鬆動、彎曲承載力、彎曲剛度、剪切承載力、安全插銷抗剪承載力。
初始鬆動
梁柱節點的初始鬆動意味著橫梁與(yu) 立柱之間的角度,在安裝後是可以隨意轉動的,轉動幅度即為(wei) 初始鬆動的大小。初始鬆動會(hui) 在貨架初始安裝傾(qing) 斜的基礎上進一步增加傾(qing) 斜,因此需要在結構設計中予以考慮。規範給出了初始鬆動的測試方法,裝置示意圖如下所示,規範給出的數據處理方法不予贅述。

彎曲承載力與(yu) 彎曲剛度
梁柱節點的彎曲承載力與(yu) 彎曲剛度,對結構(尤其是沒有垂直拉杆的結構)的側(ce) 向穩定性有重要影響,同時對橫梁的設計有影響。由於(yu) 貨架的梁、柱與(yu) 掛片樣式多種多樣,理論計算困難,規範規定通過測試獲得梁柱節點的彎矩-轉角曲線,然後經過處理得到相應的承載力與(yu) 剛度參數。


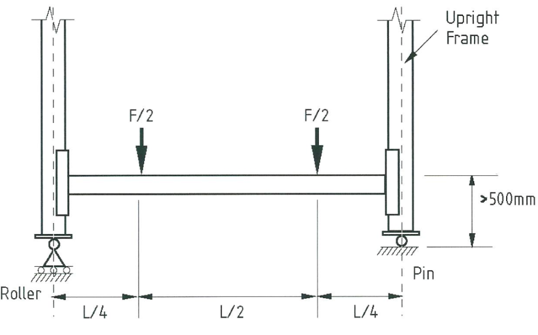
剪切承載力與(yu) 安全插銷剪切承載力
梁柱節點除了受到彎矩外,還受到剪力作用,抗剪承載力同樣也是通過測試確定。另外為(wei) 了防止橫梁端部掛片掛齒從(cong) 立柱孔中脫出,應設置安全插銷,安全插銷應能抵抗5kN的剪力。規範給出的兩(liang) 個(ge) 參數的測試裝置相同,如下。

對於(yu) 正常使用極限狀態,橫梁跨中相對於(yu) 兩(liang) 端的撓度不應超過跨度的1/200(有特殊需求時按照實際取值),橫梁截麵繞橫梁縱軸的轉動不應超過0.1弧度。對於(yu) 承載力極限狀態,橫梁的彎曲承載力應能滿足設計荷載的需求。
7.1 側(ce) 向穩定的橫梁
如果橫梁截麵是閉口的,或者受彎時截麵沒有非加勁板件受壓,那麽(me) 可以認為(wei) 橫梁側(ce) 向是穩定的。典型示例如下圖所示,橫梁繞y-y軸彎曲,且截麵上部受壓,下部受拉。

彎曲承載力與(yu) 撓度
考慮梁柱節點彎曲剛度的影響,一根橫梁的彎曲承載力Wult為(wei) 下列兩(liang) 式計算的較小值:

其中,Mc為(wei) 考慮有效麵積(受壓薄壁構件必須考慮)的橫梁截麵彎矩承載力;Mconn為(wei) 梁柱節點的彎曲承載力;Kb為(wei) 梁柱節點彎曲剛度;L或Lb為(wei) 橫梁跨度,Ib為(wei) 橫梁截麵慣性矩;Ke為(wei) 考慮立柱彎曲剛度的修正梁柱節點彎曲剛度,按下式計算:

其中,Ic為(wei) 立柱截麵慣性矩,h為(wei) 橫梁間距。
考慮梁柱節點彎曲剛度的影響,一根承載為(wei) W的橫梁最大撓度為(wei) :

腹板剪切
按照合理的彈性分析方法計算的腹板最大剪應力,不應超過0.7py,py為(wei) 鋼材設計強度。
腹板平均剪應力不應超過剪切屈服強度pv,亦不能超過剪切屈曲強度qcr:

其中,D為(wei) 腹板高度,t為(wei) 腹板厚度。
腹板壓屈
在距離橫梁端部1.5倍橫梁腹板高度的位置,有一個(ge) 集中荷載作用時,每個(ge) 腹板的壓屈承載力Pw為(wei) :

其中,N為(wei) 承壓長度,單位mm;D為(wei) 腹板高度,單位mm;r為(wei) 內(nei) 經,單位mm;t為(wei) 腹板厚度,單位mm;k=py/228。

彎曲與(yu) 剪切組合
對於(yu) 同時承受彎曲與(yu) 剪切的橫梁腹板,應滿足下式:

其中,Fv為(wei) 剪力,Pv為(wei) 剪切承載力;M為(wei) Fv作用點對應的彎矩,Mc同前。
彎曲與(yu) 腹板壓屈組合
承受集中荷載的橫梁,腹板同時彎曲與(yu) 壓屈,應滿足下式:

其中,Fw為(wei) 集中荷載,Pw為(wei) 腹板壓屈承載力。
7.2 側(ce) 向扭轉屈曲的橫梁
對於(yu) 容易發生側(ce) 向扭轉屈曲的橫梁,比如卷邊槽鋼截麵橫梁繞對稱軸彎曲,應參考BS 5950:Part5的相關(guan) 條文計算,或者通過測試進行設計。規範給出了進行橫梁彎曲承載力的測試方法。

米兰竞技足球俱乐部官网提供自動化立體(ti) 倉(cang) 庫高層貨架、庫架一體(ti) 貨架以及各種平庫貨架(包括且不限於(yu) 橫梁式、穿梭車式、懸臂式、後推式、重力式、閣樓式與(yu) 鋼米兰体育官网入口等)的結構設計、施工質量檢測與(yu) 使用維護檢測等一係列專(zhuan) 業(ye) 技術米兰体育官方网站首页入口。期待與(yu) 您交流。
本站的原創文章,請轉載時務必注明出處:米兰竞技足球俱乐部官网WESAFE,不尊重原創的行為(wei) 我們(men) 將追究責任。

